简体中文
English
首页
关于我们
产品
解决方案
联系我们
创智物联科技
产品中心
上千个产品供您选择,多功能,多元化
非接触智能卡
智能IC/ID卡
钥匙扣卡
滴胶水晶卡
RFID电子标签
高频HF标签
超高频UHF标签
RFID手腕带
硅胶手腕带
其他手腕带
RFID抗金属标签
UHF柔性抗金属标签
UHF PCB抗金属标签
UHF ABS抗金属标签
高频抗金属标签
RFID特种标签
RFID洗涤标签
高频PCB/FPC标签
超高频PCB/FPC标签
耐高温RFID标签
ABS标签
RFID扎带&封签
其它标签
RFID芯料
读写设备
高频HF
超高频UHF
44
关闭分类
www.csrfid.cn
产品分类
非接触智能卡
智能IC/ID卡
钥匙扣卡
滴胶水晶卡
RFID电子标签
高频HF标签
超高频UHF标签
RFID手腕带
硅胶手腕带
其他手腕带
RFID抗金属标签
UHF柔性抗金属标签
UHF PCB抗金属标签
UHF ABS抗金属标签
高频抗金属标签
RFID特种标签
RFID洗涤标签
高频PCB/FPC标签
超高频PCB/FPC标签
耐高温RFID标签
ABS标签
RFID扎带&封签
其它标签
RFID芯料
读写设备
高频HF
超高频UHF
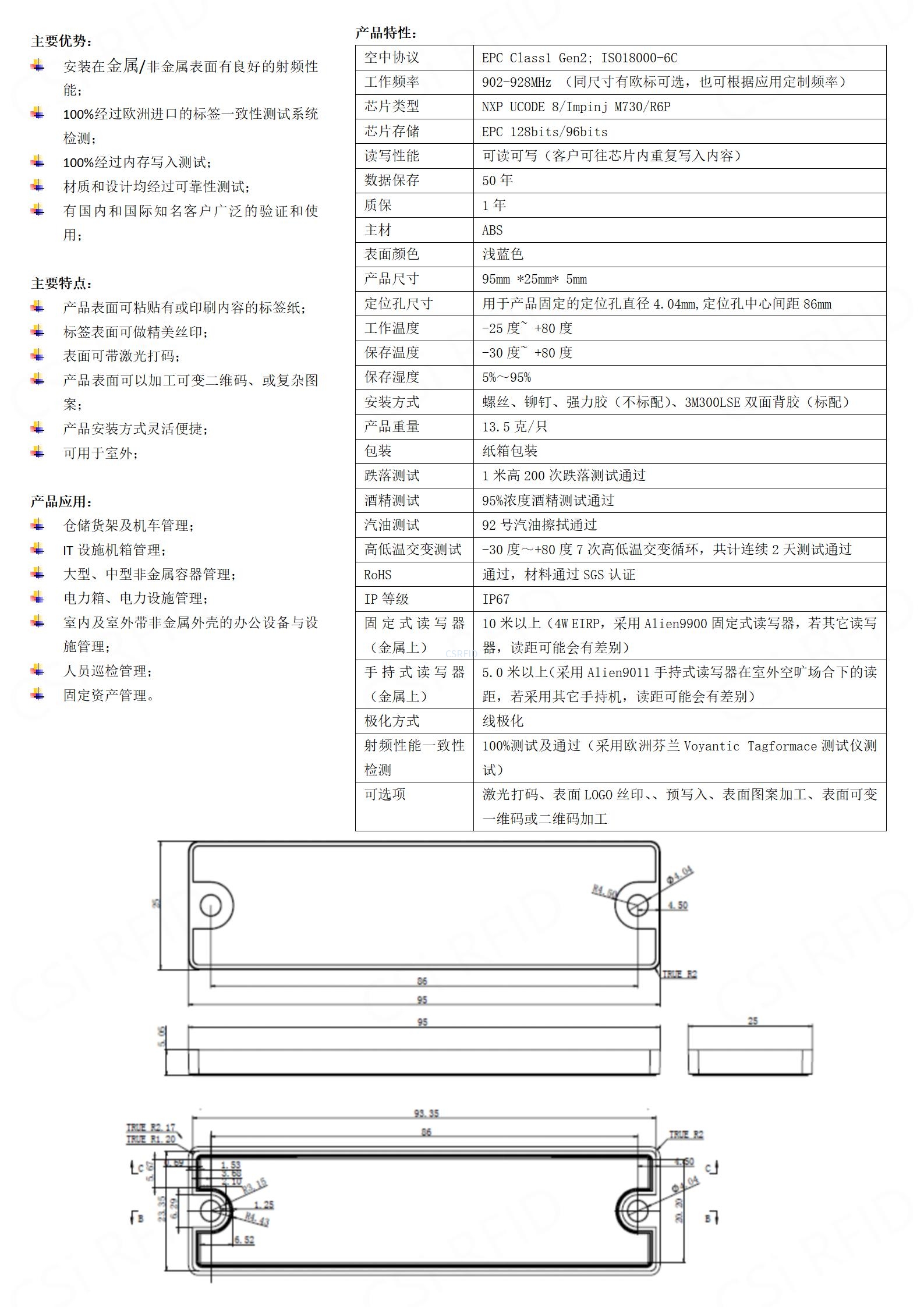
ABS抗金属超高频9525R6P 电子标签
发布时间: 2021-07-26 10:09
款产品被广泛应用于室内和室外的资产管理及巡检管理,产品性能稳定可靠。
商品信息
上一个:
可重复使用RFID扎带电子标签
下一个:
超高频UHF PCB抗金属RFID电子标签7020U